- 產品詳情
PDI MIL-PRF-55310/17振蕩器有標準頻率和定制頻率兩種,可在密封包裝中為軍事和航空電子應用提供精確定時。


品牌名稱:Wi2Wi(PDI)
重要參數:
封裝:穿孔
輸出模式:TTL
頻率范圍:12MHz至50MHz
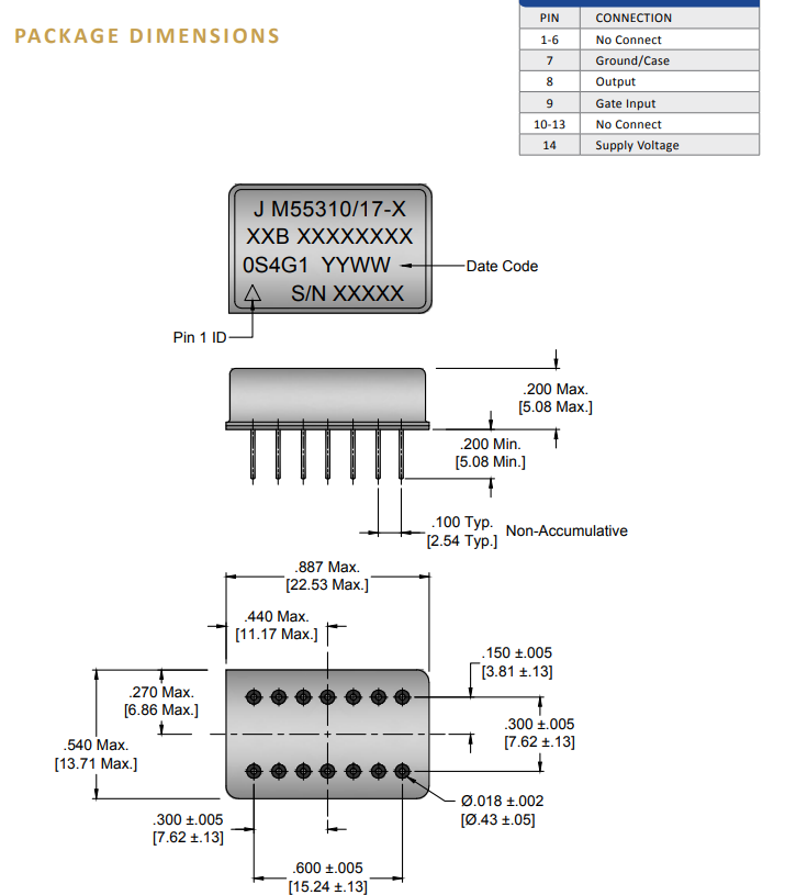
尺寸:0.887 長 x 0.540 寬 x 0.200 高
符合標準:MIL-PRF-55310
溫度范圍:-55°C 至 +125°C
特征:14 針
PDI MIL-PRF-55310/17振蕩器有標準頻率和定制頻率兩種,可在密封包裝中為軍事和航空電子應用提供精確定時。


在線留言