882-032 90° PC板安裝插頭:Glenair高速超小型連接器
發布時間:2024-12-26 09:06:59 瀏覽:1166
Glenair 882-032是一款專為惡劣環境設計的高速超小型連接器,適用于10GbE以太網應用。這款連接器以其緊湊的設計、卓越的性能和耐用性,滿足了現代高速數據傳輸的需求。與 882-002、882-005、882-008 和 882-038 配接。
核心特性
高速數據傳輸:支持10GbE。
超小型設計:最小的10Gb以太網航空級連接器。
環境適應性:具備EMI保護、防水和抗沖擊振動能力。
簡易安裝:支持夾緊式后面板安裝。
耐用性:設計有2000次配對周期。
防護等級:達到IP67。
技術規格
工作溫度范圍:-65°C至+175°C。
阻抗:100歐姆。
介電電壓:100 Vrms未配對。
電流額定值:1.5 A。
絕緣電阻:至少100 MΩ @ 150 Vdc。
耐用性:2000次配對周期。
訂購指南:

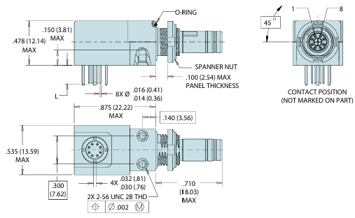
尺寸:

Glenair連接器是全球知名的高端品牌,廣泛應用于航天航空、軍用、艦載、精密制造等場合。深圳市立維創展科技有限公司,授權代理銷售Glenair產品,并提供技術支持。歡迎咨詢。
推薦資訊
隨著數據信息技術的不斷進步,移動設備、平板筆記本甚至是汽車觸摸屏等移動終端的系統級芯片(SoC)越來越復雜。Hypertronics?的DaVinci微型測試座集成化CPU、GPU、AI、攝像頭處理設備、存儲空間、5G調制解調器等關鍵模塊,以盡量小的規格型號實現先進性的高品質應用。
Smiths Interconnect|TRAK?帶狀線性隔離器和環形隔離器已經研制出40多年。伴隨著表面和空間產品的應用,可以用設計的范圍不斷發展擴大。
在線留言