PmTA-721-45-2.3低噪聲放大器Princeton Microwave
發布時間:2024-12-23 09:10:01 瀏覽:1680

PmTA-721-45-2.3低噪聲放大器適用于需要高增益和低噪聲系數的應用,如通信系統、雷達和電子戰系統。
| Electrical Specifications (TA=25C) | |
| Parameters | Specifications |
| Frequency | 7 to 21 GHz |
| Small Signal Gain | 45 minimum |
| Gain Flatness | ±1.25 dB |
| Noise Figure | 2.3 dB at mid band |
| Input Return Loss | -10 dB |
| Output Return Loss | -10 dB |
| Pout | 15 dBminimum |
| Operating DC Voltage | 12 Volts |
| Operating DC Current | 100 mA |
| Connectors | SMA Female |
| DC Connector | Solder in Filter |
| Absolute Maximum Rating | |
| DC Voltage | 20 Volts |
| RF Input Power | 5 dBm |
| Operating Temperature | -40°C to85°℃ |
| Storage Temperature | -55°C to 150℃ |
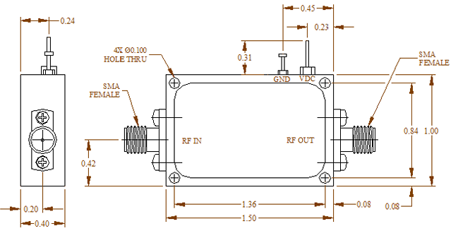
尺寸:

PmT公司自1993年起為軍事和電信市場提供高質量的微波器件,如振蕩器和放大器。該公司產品系列包括各種振蕩器、低噪聲放大器、功率放大器、功率分配器、耦合器、濾波器、混頻器等。立維創展代理分銷PmT公司產品,歡迎了解。
推薦資訊
PMT-1315-SSPA是一款專為14.0 MHz頻率設計的自動液位控制放大器,具有密封模塊、良好的單元間重復性、低阻抗、低噪聲系數,以及廣泛的工作溫度范圍(-50°C至100°C),并符合RoHS標準。該放大器適用于需要高噪聲控制和穩定性的應用環境,提供高品質和高可靠性。
Q - Tech Corporation 的 QT3003C、QT3013C、QT3023C、QT3003S、QT3013S、QT3023S 是高性能模擬溫度補償晶體振蕩器(Analog TCXO),頻率范圍為 10MHz - 80MHz,供電電壓為 +3.3Vdc ±5%或 +5Vdc ±5%,有不同封裝形式(DIP、SMD、Gull Wing),具備多種性能參數如頻率穩定性、工作溫度、存儲溫度、工作電流等,輸出幅度或功率等也有相應標準,還可用于通信系統、軍事時鐘應用等領域,
在線留言