Glenair 7引腳濾波器插座CB07C1L1F,CB07C2L1F,CB07C3L1F,CB07C4L1F
發布時間:2024-11-01 10:48:10 瀏覽:1473
GlenairCB07C1L1F,CB07C2L1F,CB07C3L1F,CB07C4L1F屬于CB系列“PogoPin”連接器,是一種 7針濾波鎖緊螺母插座,用于后面板安裝,專為減小高頻電氣干擾而設計,符合歐洲標準的CB07連接器規范。

| 7 Pin Filter Receptacle | |||
| Polarizing Position (White) | Polarizing Position 2 (Yellow) | Polarizing Position 3 (Green) | Polarizing Position 4 (Pink) |
| CB07C1L1F | CB07C2L1F | CB07C3L1F | CB07C4L1F |
產品概述
材質:外殼為不銹鋼,表面鍍黑鉻。
插針材質:銅合金,表面鍍金,確保良好的導電性能和耐腐蝕性。
密封性:硅膠O形密封圈,防水等級為IP68,符合MIL-STD-810標準,支持1米水深浸泡。
使用壽命:能承受5000次插拔,適合惡劣環境使用。
產品規格
電容:在25°C、1 kHz條件下為3000 pF,耐壓1 Vrms。
耐壓(DWV):最高支持50 V DC。
最大電流:2.5安培。
絕緣電阻:至少5000兆歐,保證高絕緣性能。
結構與安裝
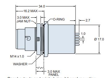
鎖緊螺母:不銹鋼材質,表面鍍黑鉻,用于固定在面板上,最大鎖緊厚度為3.0毫米。
安裝孔尺寸:M14 x 1.0螺紋安裝,適合常見面板厚度。
PCB焊接點模式:標注有安裝孔和焊接點的具體尺寸,確保匹配電路板安裝要求。
面板與電路板安裝
圖中顯示了該插座的PCB安裝孔的尺寸圖和位置標記,使得用戶可以精確安裝和連接。
其他特性
尺寸:外徑為20毫米,插孔直徑為17毫米。
O形圈位置:面板與插座接觸處有O形圈,確保防水密封效果。
插孔排列:圖中標明了各插孔的位置和角度,為插頭與插座的正確對接提供指導。
總體來說,該產品非常適合用于需要高可靠性、抗干擾能力強的電氣連接場合,尤其是在惡劣的環境中。

推薦資訊
Winchester Triax TRT & TRB系列連接器符合MIL-C-49142標準,典型頻率為DC-500MHz,提供集成電纜組件,兼容雙軸和三軸電纜配置。在商用和軍用航空器、導彈系統、廣播和醫療系統等挑戰應用場景中表現卓越,具有更大帶寬、更低干擾和高可靠性。技術規格包括阻抗50-75歐姆,溫度范圍-65°C至+165°C,材質包括黃銅合金、鈹銅/黃銅合金和聚四氟乙烯絕緣體。
隨著數據信息技術的不斷進步,移動設備、平板筆記本甚至是汽車觸摸屏等移動終端的系統級芯片(SoC)越來越復雜。Hypertronics?的DaVinci微型測試座集成化CPU、GPU、AI、攝像頭處理設備、存儲空間、5G調制解調器等關鍵模塊,以盡量小的規格型號實現先進性的高品質應用。
在線留言