PmTA-721-45-2.3低噪聲放大器Princeton Microwave
發布時間:2024-10-15 09:00:08 瀏覽:2712
Princeton Microwave Technology推出的PmTA-721-45-2.3低噪聲放大器是一款高性能的微波放大器,專為需要低噪聲和高增益的應用設計。該放大器的工作頻率范圍為7至21 GHz,適用于多種通信和雷達系統。

主要特點
頻率范圍:7至21 GHz,覆蓋了廣泛的微波頻段。
小信號增益:45 dB,確保信號的強勁放大。
低噪聲系數:2.3 dB中頻,有助于保持信號的清晰度和純凈度。
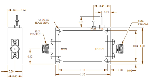
輸入輸出匹配:50歐姆,便于與標準微波系統集成。
內部電壓調節和偏置排序:提供穩定的電源管理和操作。
無條件穩定:確保在各種工作條件下都能穩定運行。
密封模塊:保護內部組件免受環境影響。
工作溫度范圍:-50oC至100oC,適應極端環境。
參數規格
頻率:7至21 GHz
小信號增益:最小45 dB
增益平坦度:±1.25 dB
噪聲系數:2.3 dB中頻
輸入回波損耗:-10 dB
輸出回波損耗:-10 dB
最小輸出:15 dB
直流工作電壓:12 V
工作直流電流:100 mA
連接器:SMA
直流連接器:焊接在濾波器上
絕對最大額定值
直流電壓:20 V
射頻輸入功率:5 dBm
工作溫度:-40℃至85℃
儲存溫度:-55℃至150℃
PmTA-721-45-2.3低噪聲放大器是Princeton Microwave Technology的又一力作,它以其卓越的性能和可靠性,滿足了現代通信和雷達系統對高性能放大器的需求。無論是在極端溫度條件下,還是在高頻率和高增益要求下,PmTA-721-45-2.3都能提供穩定和可靠的性能。
PmT公司自1993年起為軍事和電信市場提供高質量的微波器件,如振蕩器和放大器。該公司產品系列包括各種振蕩器、低噪聲放大器、功率放大器、功率分配器、耦合器、濾波器、混頻器等。立維創展代理分銷PmT公司產品,歡迎了解。
相關推薦:
相關推薦:
推薦資訊
Princeton Microwave普林斯頓微波技術級聯放大器分別采用 TO-8 封裝、TC-1 連接器外殼和表面貼裝 PlanerPak 封裝。這些放大器具有 PmT R 系列屏蔽功能,是可級聯模塊,旨在在惡劣的工作條件下實現最佳性能。它們在指定的頻率響應范圍和極端溫度下提供無條件的穩定性和有保證的性能。電壓要求從 +5 VDC 到 +24 VDC 不等,具體取決于型號。
OmniOn Power 的MLX040A0XY3數字DLynxlITM電源模塊是一款高性能的非隔離dc-dc轉換器,專為提供高達40A的輸出電流而設計。其工作電壓范圍廣泛,從7VDC至14VDC,且輸出電壓可編程,范圍覆蓋0.45VDC至2.0VDC,通過PMBus進行精確調節。模塊采用了先進的基于PID的可調數字控制回路,確保了回路的穩定性,提供了快速的瞬態響應,并降低了所需的輸出電容。
在線留言