204系列層壓晶圓DIP插座ANDON
發布時間:2024-06-21 09:43:44 瀏覽:1602
204系列層壓晶圓DIP插座由ANDON公司生產,它采用FR-4環氧樹脂(層壓板)作為絕緣材料,并獲得了UL 94V-0的認證。這款插座適用于DIP間距的元件,提供了多種引腳(PIN)數量和接觸材料選擇,包括鍍金/鍍金的黃銅(ASTM-B16)和鍍錫鉛/鍍金的鈹銅(ASTM-B194)。其工作溫度范圍為-65°C至+140°C。


插座的標準插入力為平均9盎司(oZ.),標準撤出力為至少2盎司(oZ.)。此外,還提供了其他類型的插入力和撤出力選項,以滿足不同的應用需求。
在訂購信息方面,產品代碼為204-XXX-XXX-PXX-N10,其中XXX-XXX代表特定的引腳數量和其他選項,PXX代表引腳鍍層,N10代表無索引版本。

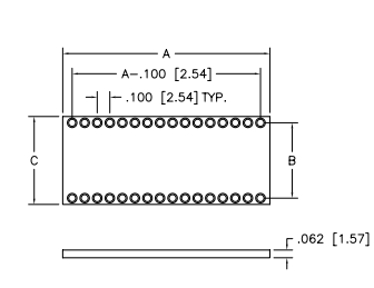
該系列插座的尺寸和規格以英寸和毫米為單位進行了詳細說明,包括PIN的直徑(DIM "A")、PIN之間的間距(DIM "B")以及整體尺寸等。
| SERIES 402 WAFER CHART | ||||
| PIN | DIM“A” | DIM "B" | DIM“C” | |
| 6 | .300[7.62 | .300 [7.62] | 400 [10.16] | 306 |
| 8 | .400[10.16 | 308 | ||
| 10 | 500 [12.70] | 310 | ||
| 14 | 700 [17.78] | 314 | ||
| 16 | 800 [20.32] | 316 | ||
| 18 | 900 [22.86] | 318 | ||
| 20 | 1.000 [25.40] | 320 | ||
| 22 | 1.100 [27.94 | 322 | ||
| 24 | 1.200[30.48] | 324 | ||
| 28 | 1.400 [35.56] | 328 | ||
| 24 | 1.200 [30.48 | .600 [15.24] | .700 [17.78] | 624 |
| 28 | 1.400 [35.56] | 628 | ||
| 30 | 1.500[38.10] | 630 | ||
| 32 | 1.600 [40.64] | 632 | ||
| 36 | 1.800 [45.72] | 636 | ||
| 40 | 2.000 [50.80] | 640 | ||
| 42 | 2.100 [53.34] | 642 | ||
| 48 | 2.400 [60.96] | 648 | ||
| 24 | 1.200[30.48 | 900 [22.86] | 1.000 [25.40] | 924 |
| 28 | 1.400[35.56 | .000 [25.40] | 928 | |
| 32 | 1.650 [41.91] | 1.050 [26.67] | 932 | |
| 50 | 2.500[63.05] | .000 [25.40] | 950 | |
| 52 | 2.600[66.04] | 1.000 [25.40] | 952 | |
| 64 | 3.250 [82.55] | 1.050 [26.67] | 964 | |
推薦資訊
自20世紀70年代以來,Glenair?多針MIL-DTL-38999 系列III圓形連接器和#22壓接可拆卸觸點一直是軍用和商用航空的標準。Glenair MIL-C-38999連接器最初是為了在要求苛刻的海軍和空軍機身應用中互連通信和航空電子設備而開發的,尤其是那些受高振動、風和濕氣影響的應用。
Glenair MIL-DTL-28840 是船上使用的標準連接器和后殼系列,提供高密度插入裝置和高沖擊性能。Glenair 的合格產品線經過全面加工,可用性高,并提供所有類別,包括用于代碼 L 和 M(T 級和 TJ)海軍、陸地和海上應用的無鎘和兼容錫鋅 (TZ) 電鍍。
在線留言